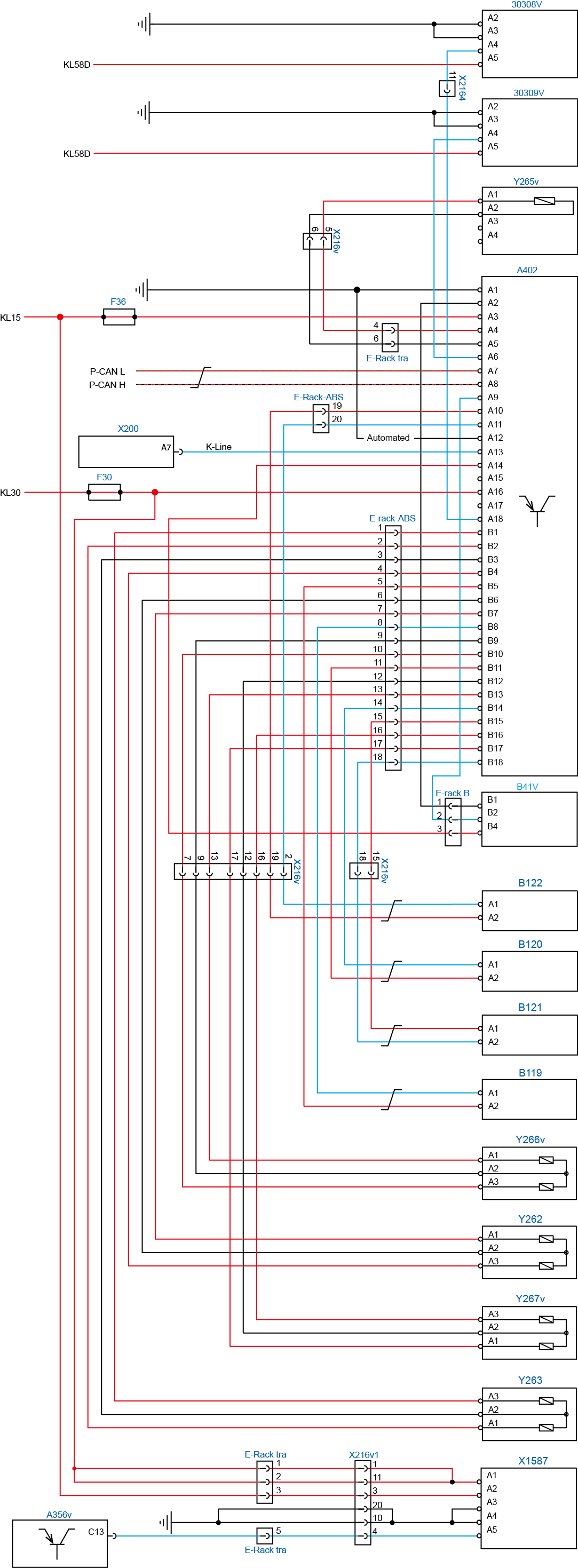
Módulo ABS

Código: 0801/02 DTC C1208/20

Relé do retarder

 

 

A402

Módulo ABS

F30

Fusível 30A       

F36

Fusível 5A

X200

Conector de diagnóstico (OBD)

X216v

Conector do chassi (ABS)

X515-B

Conector de interface B

X515-ABS

Conector de interface ABS

B122

Sensor de rotação trazeiro direito (ABS)

B119

Sensor de rotação dianteiro esquerdo (ABS)

B120

Sensor de rotação ABS dianteiro direito (ABS)

B121

Sensor de rotação ABS trazeiro esquerdo (ABS)

Y262

Válvula moduladora dianteira direita (ABS)

Y263

Válvula moduladora dianteira esquerda (ABS)

Y266v

Válvula moduladora traseira direita (ABS)

Y267v

Válvula moduladora traseira esquerda (ABS)

Y265v

Válvula ATC  (Controle Automático de Tração)

Descrição da Falha

Sinal do relé do retarder, valor errado, intermitente ou incorreto.

 

 

Indicação de Falha

Luz de alerta da central acende constantemente com o símbolo  com o veículo andando ou  parado.


 

Estratégia de Monitoramento

O módulo ABS monitora o sinal proveniente do relé do retarder.

 

 

Efeito da Falha

A funcionalidade elétrica do sistema ABS é feita automaticamente e, caso seja detectada alguma anomalia, uma luz de advertência acende-se no painel de instrumentos e o sistema ABS ficará inoperante parcialmente ou integralmente.

 

 

Possíveis Falhas

FMI 02: valor errado, intermitente ou incorreto.

FMI 03: tensão assima do normal ou curto ao positivo.


Aviso

Antes de iniciar o trabalho em um veículo, sempre calce as rodas para impedir que o veículo se mova quando liberado o freio.

 

 

Registros de Falhas em Outros Módulos de Comando

Não.

 

Considerar os esquemas elétricos do veículo


Verificação Medição Eliminação da Falha
Relé do retarder



-




Consulte o manual do retarder ou da transmissão.

 

 





Topo da Página